HOME >> Services >> Partners >> NACHI Bearing
FAG Bearing
IKO Bearing
INA Bearing
KOYO Bearing
NACHI Bearing
NSK Bearing
NTN Bearing
SKF Bearing
TIMKEN Bearing

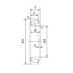
Bearing number : 1380/1328
Size (mm) : 22.225x52.388x19.368
Brand : NACHI
Bore Diameter (mm) : 22.225
Outer Diameter (mm) : 52.388
Width (mm) : 19.368
d - 22.225 mm
D - 52.388 mm
T - 19.368 mm
B - 20.168 mm
C - 14.288 mm
a - 7.6 mm
r1 min. - 1.5 mm
r2 min. - 1.5 mm
Weight - 0,197 Kg
Basic dynamic load rating (C) - 42500 kN
Basic static load rating (C0) - 47500 kN
(Grease) Lubrication Speed - 7500 r/min
(Oil) Lubrication Speed - 10000 r/min
Calculation factor (e) - 0.29
Calculation factor (Y0) - 1.1
Calculation factor (Y1) - 2.1