HOME >> Services >> Partners >> NACHI Bearing
FAG Bearing
IKO Bearing
INA Bearing
KOYO Bearing
NACHI Bearing
NSK Bearing
NTN Bearing
SKF Bearing
TIMKEN Bearing

Bearing number : 14130/14276
Size (mm) : 33.338x69.012x19.845
Brand : NACHI
Bore Diameter (mm) : 33.338
Outer Diameter (mm) : 69.012
Width (mm) : 19.845
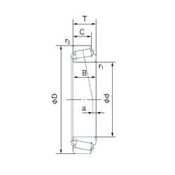
d - 33.338 mm
D - 69.012 mm
T - 19.845 mm
B - 19.583 mm
C - 15.875 mm
a - 4.3 mm
r1 min. - 3.5 mm
r2 min. - 1.3 mm
Weight - 0,345 Kg
Basic dynamic load rating (C) - 44500 kN
Basic static load rating (C0) - 55000 kN
(Grease) Lubrication Speed - 5500 r/min
(Oil) Lubrication Speed - 7500 r/min
Calculation factor (e) - 0.38
Calculation factor (Y0) - 0.87
Calculation factor (Y1) - 1.6