HOME >> Services >> Partners >> NACHI Bearing
FAG Bearing
IKO Bearing
INA Bearing
KOYO Bearing
NACHI Bearing
NSK Bearing
NTN Bearing
SKF Bearing
TIMKEN Bearing

Bearing number : 52434
Size (mm) : 170x340x236
Brand : NACHI
Bore Diameter (mm) : 170
Outer Diameter (mm) : 340
Width (mm) : 236
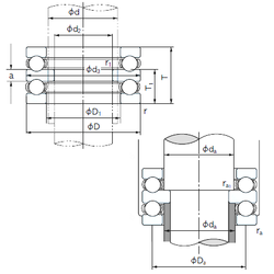
d - 170 mm
d2 - 135 mm
D - 340 mm
T - 236 mm
ra1 max. - 2 mm
T1 - 143 mm
a - 50 mm
d3 - 339 mm
r min. - 5 mm
r1 min. - 2.1 mm
D1 - 174 mm
da min. - 170 mm
Da max. - 238 mm
ra max. - 4 mm
Weight - 108 Kg
Basic dynamic load rating (C) - 755 kN
Basic static load rating (C0) - 2730 kN
(Grease) Lubrication Speed - 420 r/min
(Oil) Lubrication Speed - 630 r/min