HOME >> Services >> Partners >> NACHI Bearing
FAG Bearing
IKO Bearing
INA Bearing
KOYO Bearing
NACHI Bearing
NSK Bearing
NTN Bearing
SKF Bearing
TIMKEN Bearing

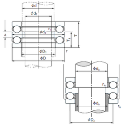
Bearing number : 52340
Size (mm) : 200x340x192
Brand : NACHI
Bore Diameter (mm) : 200
Outer Diameter (mm) : 340
Width (mm) : 192
d - 200 mm
d2 - 170 mm
D - 340 mm
T - 192 mm
ra1 max. - 2 mm
T1 - 117 mm
a - 42 mm
d3 - 339 mm
r min. - 4 mm
r1 min. - 2 mm
D1 - 205 mm
da min. - 200 mm
Da max. - 256 mm
ra max. - 3 mm
Weight - 77.8 Kg
Basic dynamic load rating (C) - 625 kN
Basic static load rating (C0) - 2380 kN
(Grease) Lubrication Speed - 470 r/min
(Oil) Lubrication Speed - 710 r/min