HOME >> Services >> Partners >> NACHI Bearing
FAG Bearing
IKO Bearing
INA Bearing
KOYO Bearing
NACHI Bearing
NSK Bearing
NTN Bearing
SKF Bearing
TIMKEN Bearing

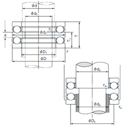
Bearing number : 52336
Size (mm) : 180x300x165
Brand : NACHI
Bore Diameter (mm) : 180
Outer Diameter (mm) : 300
Width (mm) : 165
d - 180 mm
d2 - 150 mm
D - 300 mm
T - 165 mm
ra1 max. - 2 mm
T1 - 101 mm
a - 37 mm
d3 - 299 mm
r min. - 3 mm
r1 min. - 2 mm
D1 - 184 mm
da min. - 180 mm
Da max. - 228 mm
ra max. - 2.5 mm
Weight - 50.9 Kg
Basic dynamic load rating (C) - 485 kN
Basic static load rating (C0) - 1700 kN
(Grease) Lubrication Speed - 550 r/min
(Oil) Lubrication Speed - 820 r/min