HOME >> Services >> Partners >> NACHI Bearing
FAG Bearing
IKO Bearing
INA Bearing
KOYO Bearing
NACHI Bearing
NSK Bearing
NTN Bearing
SKF Bearing
TIMKEN Bearing

Bearing number : 52308
Size (mm) : 40x78x49
Brand : NACHI
Bore Diameter (mm) : 40
Outer Diameter (mm) : 78
Width (mm) : 49
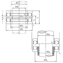
d - 40 mm
d2 - 30 mm
D - 78 mm
T - 49 mm
ra1 max. - 0.6 mm
T1 - 30.5 mm
a - 12 mm
d3 - 78 mm
r min. - 1 mm
r1 min. - 0.6 mm
D1 - 42 mm
D2 - 60 mm
D3 - 82 mm
da min. - 40 mm
Da max. - 55 mm
ra max. - 1 mm
Weight - 1.06 Kg
Basic dynamic load rating (C) - 69 kN
Basic static load rating (C0) - 135 kN
(Grease) Lubrication Speed - 2200 r/min
(Oil) Lubrication Speed - 3300 r/min