HOME >> Services >> Partners >> NACHI Bearing
FAG Bearing
IKO Bearing
INA Bearing
KOYO Bearing
NACHI Bearing
NSK Bearing
NTN Bearing
SKF Bearing
TIMKEN Bearing

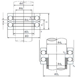
Bearing number : 52244
Size (mm) : 220x300x110
Brand : NACHI
Bore Diameter (mm) : 220
Outer Diameter (mm) : 300
Width (mm) : 110
d - 220 mm
d2 - 190 mm
D - 300 mm
T - 110 mm
ra1 max. - 2 mm
T1 - 67 mm
a - 24 mm
d3 - 299 mm
r min. - 2 mm
r1 min. - 2 mm
D1 - 224 mm
D2 - 260 mm
D3 - 310 mm
da min. - 220 mm
Da max. - 252 mm
ra max. - 2 mm
Weight - 23.9 Kg
Basic dynamic load rating (C) - 325 kN
Basic static load rating (C0) - 1210 kN
(Grease) Lubrication Speed - 690 r/min
(Oil) Lubrication Speed - 1000 r/min