HOME >> Services >> Partners >> NACHI Bearing
FAG Bearing
IKO Bearing
INA Bearing
KOYO Bearing
NACHI Bearing
NSK Bearing
NTN Bearing
SKF Bearing
TIMKEN Bearing

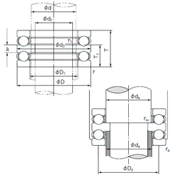
Bearing number : 52234
Size (mm) : 170x240x97
Brand : NACHI
Bore Diameter (mm) : 170
Outer Diameter (mm) : 240
Width (mm) : 97
d - 170 mm
d2 - 150 mm
D - 240 mm
T - 97 mm
ra1 max. - 1 mm
T1 - 59 mm
a - 21 mm
d3 - 239.5 mm
r min. - 1.5 mm
r1 min. - 1.1 mm
D1 - 173 mm
D2 - 200 mm
D3 - 250 mm
da min. - 170 mm
Da max. - 198 mm
ra max. - 1.5 mm
Weight - 15.2 Kg
Basic dynamic load rating (C) - 261 kN
Basic static load rating (C0) - 835 kN
(Grease) Lubrication Speed - 840 r/min
(Oil) Lubrication Speed - 1200 r/min