HOME >> Services >> Partners >> NACHI Bearing
FAG Bearing
IKO Bearing
INA Bearing
KOYO Bearing
NACHI Bearing
NSK Bearing
NTN Bearing
SKF Bearing
TIMKEN Bearing

Bearing number : 15126/15245
Size (mm) : x62x20.638
Brand : NACHI
Outer Diameter (mm) : 62.000
Width (mm) : 20.638
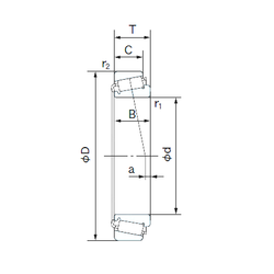
D - 62.000 mm
T - 19.050 mm
B - 20.638 mm
C - 14.288 mm
a - 5.8 mm
r1 min. - 0.8 mm
r2 min. - 1.3 mm
Weight - 0,247 Kg
Basic dynamic load rating (C) - 45000 kN
Basic static load rating (C0) - 54500 kN
(Grease) Lubrication Speed - 6000 r/min
(Oil) Lubrication Speed - 8000 r/min
Calculation factor (e) - 0.35
Calculation factor (Y0) - 0.94
Calculation factor (Y1) - 1.7