HOME >> Services >> Partners >> NACHI Bearing
FAG Bearing
IKO Bearing
INA Bearing
KOYO Bearing
NACHI Bearing
NSK Bearing
NTN Bearing
SKF Bearing
TIMKEN Bearing

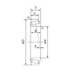
Bearing number : 18590/18520
Size (mm) : 41.275x73.025x16.667
Brand : NACHI
Bore Diameter (mm) : 41.275
Outer Diameter (mm) : 73.025
Width (mm) : 16.667
d - 41.275 mm
D - 73.025 mm
T - 16.667 mm
B - 17.462 mm
C - 12.700 mm
a - 2.8 mm
r1 min. - 3.5 mm
r2 min. - 1.5 mm
Weight - 0,292 Kg
Basic dynamic load rating (C) - 46500 kN
Basic static load rating (C0) - 57000 kN
(Grease) Lubrication Speed - 4800 r/min
(Oil) Lubrication Speed - 6700 r/min
Calculation factor (e) - 0.35
Calculation factor (Y0) - 0.94
Calculation factor (Y1) - 1.7