HOME >> Services >> Partners >> NACHI Bearing
FAG Bearing
IKO Bearing
INA Bearing
KOYO Bearing
NACHI Bearing
NSK Bearing
NTN Bearing
SKF Bearing
TIMKEN Bearing

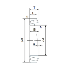
Bearing number : 18790/18724
Size (mm) : 50.800x88.900x17.462
Brand : NACHI
Bore Diameter (mm) : 50.800
Outer Diameter (mm) : 88.900
Width (mm) : 17.462
d - 50.800 mm
D - 88.900 mm
T - 17.462 mm
B - 17.462 mm
C - 13.495 mm
a - 0.7 mm
r1 min. - 3.5 mm
r2 min. - 1.3 mm
Weight - 0,369 Kg
Basic dynamic load rating (C) - 44000 kN
Basic static load rating (C0) - 58500 kN
(Grease) Lubrication Speed - 4000 r/min
(Oil) Lubrication Speed - 5600 r/min
Calculation factor (e) - 0.41
Calculation factor (Y0) - 0.81
Calculation factor (Y1) - 1.5