HOME >> Services >> Partners >> NACHI Bearing
FAG Bearing
IKO Bearing
INA Bearing
KOYO Bearing
NACHI Bearing
NSK Bearing
NTN Bearing
SKF Bearing
TIMKEN Bearing

Bearing number : 395S/394A
Size (mm) : 110.000x66.675x21.999
Brand : NACHI
Bore Diameter (mm) : 110.000
Outer Diameter (mm) : 66.675
Width (mm) : 21.999
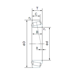
d - 66.675 mm
D - 110.000 mm
T - 21.999 mm
B - 21.996 mm
C - 18.824 mm
a - 0.7 mm
r1 min. - 3.6 mm
r2 min. - 1.2 mm
Weight - 0,778 Kg
Basic dynamic load rating (C) - 86400 kN
Basic static load rating (C0) - 116000 kN
(Grease) Lubrication Speed - 2800 r/min
(Oil) Lubrication Speed - 4000 r/min
Calculation factor (e) - 0.40
Calculation factor (Y0) - 0.82
Calculation factor (Y1) - 1.49