
Axial angular contact roller bearings 294/500-E1-MB
Bearing number : 294/500-E1-MB
Size (mm) : 500x870x224
Brand : INA
Bore Diameter (mm) : 500
Outer Diameter (mm) : 870
Width (mm) : 224
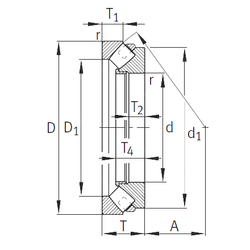
Bearing dimensions and specification in INA catalogue:
d - 500 mm
D - 870 mm
T - 224 mm
T1 - 110 mm
T2 - 86 mm
d1 - 800 mm
r min. - 9,5 mm
A - 290 mm
D1 - 648 mm
da min. - 685 mm
Da max. - 765 mm
db max. - 539 mm
Db min. - 886 mm
ra max. - 8 mm
Weight - 551 Kg
Basic dynamic load rating (C) - 9 900 kN
Basic static load rating (C0) - 40 000 kN
Reference speed - 330 r/min
Limiting speed - 700 r/min

FAG Bearing
IKO Bearing
INA Bearing
KOYO Bearing
NACHI Bearing
NSK Bearing
NTN Bearing
SKF Bearing
TIMKEN Bearing