
Deep groove ball bearings CSXG080
Bearing number : CSXG080
Size (mm) : 203.2x254x25.4
Brand : INA
Bore Diameter (mm) : 203,2
Outer Diameter (mm) : 254
Width (mm) : 25,4
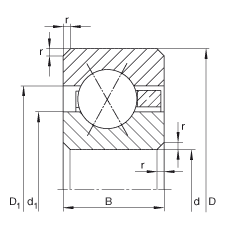
Bearing dimensions and specification in INA catalogue:
d - 203,2 mm
d - 8 inch
D - 254 mm
B - 25,4 mm
D1 - 235,2 mm
d1 - 222,1 mm
rmin - 2 mm
m - 2,95 kg / Weight
Cr - 64000 N / Dynamic load rating (radial)
C0r - 100000 N / Static load rating (radial)
nG Ol - 1250 1/min / Limiting speed (grease)

FAG Bearing
IKO Bearing
INA Bearing
KOYO Bearing
NACHI Bearing
NSK Bearing
NTN Bearing
SKF Bearing
TIMKEN Bearing