HOME >> Services >> Partners >> INA Bearing
FAG Bearing
IKO Bearing
INA Bearing
KOYO Bearing
NACHI Bearing
NSK Bearing
NTN Bearing
SKF Bearing
TIMKEN Bearing

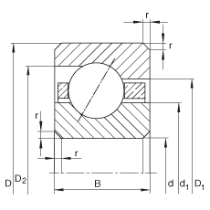
Bearing number : CSED140
Size (mm) : 355.6x381x12.7
Brand : INA
Bore Diameter (mm) : 355,6
Outer Diameter (mm) : 381
Width (mm) : 12,7
d - 355,6 mm
d - 14 inch
D - 381 mm
B - 12,7 mm
D1 - 371,6 mm
D2 - 374 mm
d1 - 365 mm
rmin - 1,5 mm
m - 1,24 kg / Weight
Cr - 19000 N / Dynamic load rating (radial)
C0r - 47000 N / Static load rating (radial)
nG Ol - 1470 1/min / Limiting speed (grease)