HOME >> Services >> Partners >> INA Bearing
FAG Bearing
IKO Bearing
INA Bearing
KOYO Bearing
NACHI Bearing
NSK Bearing
NTN Bearing
SKF Bearing
TIMKEN Bearing

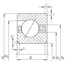
Bearing number : CSED180
Size (mm) : 457.2x482.6x12.7
Brand : INA
Bore Diameter (mm) : 457,2
Outer Diameter (mm) : 482,6
Width (mm) : 12,7
d - 457,2 mm
d - 18 inch
D - 482,6 mm
B - 12,7 mm
D1 - 473,2 mm
D2 - 475,3 mm
d1 - 466,6 mm
rmin - 1,5 mm
m - 1,5 kg / Weight
Cr - 20800 N / Dynamic load rating (radial)
C0r - 60000 N / Static load rating (radial)
nG Ol - 1140 1/min / Limiting speed (grease)