HOME >> Services >> Partners >> INA Bearing
FAG Bearing
IKO Bearing
INA Bearing
KOYO Bearing
NACHI Bearing
NSK Bearing
NTN Bearing
SKF Bearing
TIMKEN Bearing

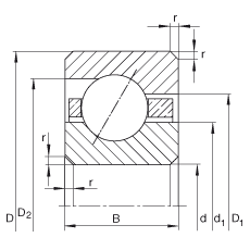
Bearing number : CSEF060
Size (mm) : 152.4x190.5x19.05
Brand : INA
Bore Diameter (mm) : 152,4
Outer Diameter (mm) : 190,5
Width (mm) : 19,05
d - 152,4 mm
d - 6 inch
D - 190,5 mm
B - 19,05 mm
D1 - 176,4 mm
D2 - 180,7 mm
d1 - 166,5 mm
rmin - 2 mm
m - 1,22 kg / Weight
Cr - 27500 N / Dynamic load rating (radial)
C0r - 35000 N / Static load rating (radial)
nG Ol - 3200 1/min / Limiting speed (grease)