HOME >> Services >> Partners >> INA Bearing
FAG Bearing
IKO Bearing
INA Bearing
KOYO Bearing
NACHI Bearing
NSK Bearing
NTN Bearing
SKF Bearing
TIMKEN Bearing

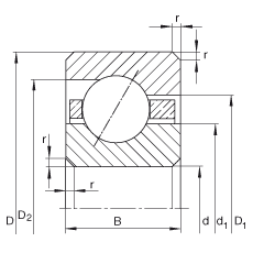
Bearing number : CSEF090
Size (mm) : 228.6x266.7x19.05
Brand : INA
Bore Diameter (mm) : 228,6
Outer Diameter (mm) : 266,7
Width (mm) : 19,05
d - 228,6 mm
d - 9 inch
D - 266,7 mm
B - 19,05 mm
D1 - 252,6 mm
D2 - 256,7 mm
d1 - 242,7 mm
rmin - 2 mm
m - 1,77 kg / Weight
Cr - 32000 N / Dynamic load rating (radial)
C0r - 52000 N / Static load rating (radial)
nG Ol - 2190 1/min / Limiting speed (grease)