HOME >> Services >> Partners >> INA Bearing
FAG Bearing
IKO Bearing
INA Bearing
KOYO Bearing
NACHI Bearing
NSK Bearing
NTN Bearing
SKF Bearing
TIMKEN Bearing

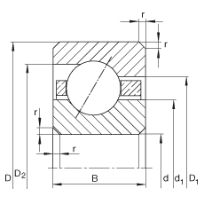
Bearing number : CSEG070
Size (mm) : 177.8x228.6x25.4
Brand : INA
Bore Diameter (mm) : 177,8
Outer Diameter (mm) : 228,6
Width (mm) : 25,4
d - 177,8 mm
d - 7 inch
D - 228,6 mm
B - 25,4 mm
D1 - 209,8 mm
D2 - 215,6 mm
d1 - 196,7 mm
rmin - 2 mm
m - 2,63 kg / Weight
Cr - 45500 N / Dynamic load rating (radial)
C0r - 59000 N / Static load rating (radial)
nG Ol - 2650 1/min / Limiting speed (grease)