HOME >> Services >> Partners >> INA Bearing
FAG Bearing
IKO Bearing
INA Bearing
KOYO Bearing
NACHI Bearing
NSK Bearing
NTN Bearing
SKF Bearing
TIMKEN Bearing

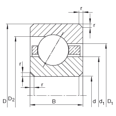
Bearing number : CSEG120
Size (mm) : 304.8x355.6x25.4
Brand : INA
Bore Diameter (mm) : 304,8
Outer Diameter (mm) : 355,6
Width (mm) : 25,4
d - 304,8 mm
d - 12 inch
D - 355,6 mm
B - 25,4 mm
D1 - 336,8 mm
D2 - 342,4 mm
d1 - 323,6 mm
rmin - 2 mm
m - 4,3 kg / Weight
Cr - 55000 N / Dynamic load rating (radial)
C0r - 98000 N / Static load rating (radial)
nG Ol - 1610 1/min / Limiting speed (grease)