HOME >> Services >> Partners >> INA Bearing
FAG Bearing
IKO Bearing
INA Bearing
KOYO Bearing
NACHI Bearing
NSK Bearing
NTN Bearing
SKF Bearing
TIMKEN Bearing

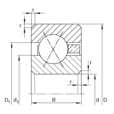
Bearing number : CSXA060
Size (mm) : 152.4x165.1x6.35
Brand : INA
Bore Diameter (mm) : 152,4
Outer Diameter (mm) : 165,1
Width (mm) : 6,35
d - 152,4 mm
d - 6 inch
D - 165,1 mm
B - 6,35 mm
D1 - 160,4 mm
d1 - 157,1 mm
rmin - 0,6 mm
m - 0,13 kg / Weight
Cr - 6400 N / Dynamic load rating (radial)
C0r - 13400 N / Static load rating (radial)
nG Ol - 2070 1/min / Limiting speed (grease)