HOME >> Services >> Partners >> INA Bearing
FAG Bearing
IKO Bearing
INA Bearing
KOYO Bearing
NACHI Bearing
NSK Bearing
NTN Bearing
SKF Bearing
TIMKEN Bearing

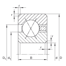
Bearing number : CSXB045
Size (mm) : 114.3x130.175x7.938
Brand : INA
Bore Diameter (mm) : 114,3
Outer Diameter (mm) : 130,175
Width (mm) : 7,938
d - 114,3 mm
d - 4 1/2 inch
D - 130,175 mm
B - 7,938 mm
D1 - 124,3 mm
d1 - 120,2 mm
rmin - 1 mm
m - 0,15 kg / Weight
Cr - 8400 N / Dynamic load rating (radial)
C0r - 13500 N / Static load rating (radial)
nG Ol - 2800 1/min / Limiting speed (grease)