HOME >> Services >> Partners >> INA Bearing
FAG Bearing
IKO Bearing
INA Bearing
KOYO Bearing
NACHI Bearing
NSK Bearing
NTN Bearing
SKF Bearing
TIMKEN Bearing

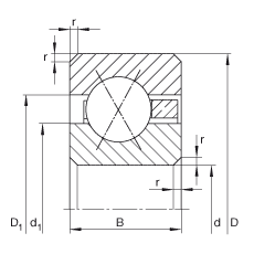
Bearing number : CSXF140
Size (mm) : 355.6x393.7x19.05
Brand : INA
Bore Diameter (mm) : 355,6
Outer Diameter (mm) : 393,7
Width (mm) : 19,05
d - 355,6 mm
d - 14 inch
D - 393,7 mm
B - 19,05 mm
D1 - 379,6 mm
d1 - 369,7 mm
rmin - 2 mm
m - 2,72 kg / Weight
Cr - 48500 N / Dynamic load rating (radial)
C0r - 116000 N / Static load rating (radial)
nG Ol - 700 1/min / Limiting speed (grease)