HOME >> Services >> Partners >> INA Bearing
FAG Bearing
IKO Bearing
INA Bearing
KOYO Bearing
NACHI Bearing
NSK Bearing
NTN Bearing
SKF Bearing
TIMKEN Bearing

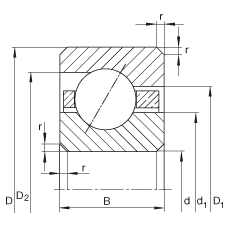
Bearing number : CSEA035
Size (mm) : 88.9x101.6x6.35
Brand : INA
Bore Diameter (mm) : 88,9
Outer Diameter (mm) : 101,6
Width (mm) : 6,35
d - 88,9 mm
d - 3 1/2 inch
D - 101,6 mm
B - 6,35 mm
D1 - 96,9 mm
D2 - 98,2 mm
d1 - 93,6 mm
rmin - 0,6 mm
m - 0,08 kg / Weight
Cr - 4000 N / Dynamic load rating (radial)
C0r - 5300 N / Static load rating (radial)
nG Ol - 6200 1/min / Limiting speed (grease)