HOME >> Services >> Partners >> INA Bearing
FAG Bearing
IKO Bearing
INA Bearing
KOYO Bearing
NACHI Bearing
NSK Bearing
NTN Bearing
SKF Bearing
TIMKEN Bearing

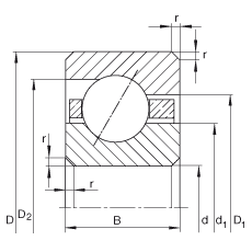
Bearing number : CSEA040
Size (mm) : 101.6x114.3x6.35
Brand : INA
Bore Diameter (mm) : 101,6
Outer Diameter (mm) : 114,3
Width (mm) : 6,35
d - 101,6 mm
d - 4 inch
D - 114,3 mm
B - 6,35 mm
D1 - 109,6 mm
D2 - 111 mm
d1 - 106,3 mm
rmin - 0,6 mm
m - 0,09 kg / Weight
Cr - 4150 N / Dynamic load rating (radial)
C0r - 6000 N / Static load rating (radial)
nG Ol - 5400 1/min / Limiting speed (grease)