HOME >> Services >> Partners >> INA Bearing
FAG Bearing
IKO Bearing
INA Bearing
KOYO Bearing
NACHI Bearing
NSK Bearing
NTN Bearing
SKF Bearing
TIMKEN Bearing

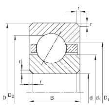
Bearing number : CSEC055
Size (mm) : 139.7x158.75x9.525
Brand : INA
Bore Diameter (mm) : 139,7
Outer Diameter (mm) : 158,75
Width (mm) : 9,525
d - 139,7 mm
d - 5 1/2 inch
D - 158,75 mm
B - 9,525 mm
D1 - 151,2 mm
D2 - 153,7 mm
d1 - 146,7 mm
rmin - 1 mm
m - 0,27 kg / Weight
Cr - 9000 N / Dynamic load rating (radial)
C0r - 13700 N / Static load rating (radial)
nG Ol - 3850 1/min / Limiting speed (grease)