HOME >> Services >> Partners >> INA Bearing
FAG Bearing
IKO Bearing
INA Bearing
KOYO Bearing
NACHI Bearing
NSK Bearing
NTN Bearing
SKF Bearing
TIMKEN Bearing

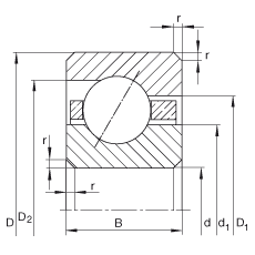
Bearing number : CSED065
Size (mm) : 165.1x190.5x12.7
Brand : INA
Bore Diameter (mm) : 165,1
Outer Diameter (mm) : 190,5
Width (mm) : 12,7
d - 165,1 mm
d - 6 1/2 inch
D - 190,5 mm
B - 12,7 mm
D1 - 181,1 mm
D2 - 183,9 mm
d1 - 174,5 mm
rmin - 1,5 mm
m - 0,55 kg / Weight
Cr - 14500 N / Dynamic load rating (radial)
C0r - 22100 N / Static load rating (radial)
nG Ol - 3150 1/min / Limiting speed (grease)