HOME >> Services >> Partners >> INA Bearing
FAG Bearing
IKO Bearing
INA Bearing
KOYO Bearing
NACHI Bearing
NSK Bearing
NTN Bearing
SKF Bearing
TIMKEN Bearing

Bearing number : 29415-E1
Size (mm) : 75x160x51
Brand : INA
Bore Diameter (mm) : 75
Outer Diameter (mm) : 160
Width (mm) : 51
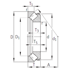
d - 75 mm
D - 160 mm
T - 51 mm
T1 - 24,5 mm
T2 - –
d1 - 142,3 mm
r min. - 2 mm
A - 47 mm
D1 - 105,5 mm
da min. - 115 mm
Da max. - 132 mm
db max. - 82,5 mm
Db min. - 163 mm
ra max. - 2 mm
Weight - 4,6 Kg
Basic dynamic load rating (C) - 650 kN
Basic static load rating (C0) - 1 540 kN
Reference speed - 2 230 r/min
Limiting speed - 4 800 r/min
X-life bearings