HOME >> Services >> Partners >> INA Bearing
FAG Bearing
IKO Bearing
INA Bearing
KOYO Bearing
NACHI Bearing
NSK Bearing
NTN Bearing
SKF Bearing
TIMKEN Bearing

Bearing number : 29418-E1
Size (mm) : 90x190x60
Brand : INA
Bore Diameter (mm) : 90
Outer Diameter (mm) : 190
Width (mm) : 60
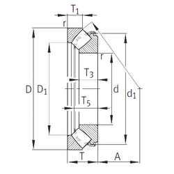
d - 90 mm
D - 190 mm
T - 60 mm
T1 - 28,5 mm
T2 - –
d1 - 167,7 mm
r min. - 2,1 mm
A - 56 mm
D1 - 127,5 mm
da min. - 135 mm
Da max. - 158 mm
db max. - 99,5 mm
Db min. - 193 mm
ra max. - 2 mm
Weight - 7,5 Kg
Basic dynamic load rating (C) - 880 kN
Basic static load rating (C0) - 2 130 kN
Reference speed - 1 910 r/min
Limiting speed - 4 000 r/min
X-life bearings