HOME >> Services >> Partners >> INA Bearing
FAG Bearing
IKO Bearing
INA Bearing
KOYO Bearing
NACHI Bearing
NSK Bearing
NTN Bearing
SKF Bearing
TIMKEN Bearing

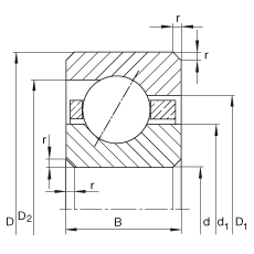
Bearing number : CSED070
Size (mm) : 177.8x203.2x12.7
Brand : INA
Bore Diameter (mm) : 177,8
Outer Diameter (mm) : 203,2
Width (mm) : 12,7
d - 177,8 mm
d - 7 inch
D - 203,2 mm
B - 12,7 mm
D1 - 193,8 mm
D2 - 196,6 mm
d1 - 187,2 mm
rmin - 1,5 mm
m - 0,59 kg / Weight
Cr - 14900 N / Dynamic load rating (radial)
C0r - 23700 N / Static load rating (radial)
nG Ol - 2950 1/min / Limiting speed (grease)