HOME >> Services >> Partners >> INA Bearing
FAG Bearing
IKO Bearing
INA Bearing
KOYO Bearing
NACHI Bearing
NSK Bearing
NTN Bearing
SKF Bearing
TIMKEN Bearing

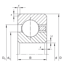
Bearing number : CSCB025
Size (mm) : 63.5x79.375x7.938
Brand : INA
Bore Diameter (mm) : 63,5
Outer Diameter (mm) : 79,375
Width (mm) : 7,938
d - 63,5 mm
d - 2 1/2 inch
D - 79,375 mm
B - 7,938 mm
D1 - 73,5 mm
d1 - 69,4 mm
rmin - 1 mm
m - 0,09 kg / Weight
Cr - 5100 N / Dynamic load rating (radial)
C0r - 4400 N / Static load rating (radial)
nG Ol - 8100 1/min / Limiting speed (grease)