
Drawn cup needle roller bearings BK0910
Bearing number : BK0910
Size (mm) : 9x13x10
Brand : INA
Bore Diameter (mm) : 9
Outer Diameter (mm) : 13
Width (mm) : 10
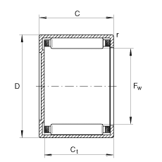
Bearing dimensions and specification in INA catalogue:
Fw - 9 mm
D - 13 mm
C - 10 mm / Tolerance: -0,3
Ct min - 8,4 mm
rmin - 0,4 mm
m - 4,3 g / Weight
Cr - 4250 N / Dynamic load rating (radial)
C0r - 4650 N / Static load rating (radial)
Cur - 600 N / Fatigue limit load, radial
nG - 26500 1/min / Limiting speed
nB - 19000 1/min / Reference speed
DIN 618-1/ISO 3245

FAG Bearing
IKO Bearing
INA Bearing
KOYO Bearing
NACHI Bearing
NSK Bearing
NTN Bearing
SKF Bearing
TIMKEN Bearing