HOME >> Services >> Partners >> INA Bearing
FAG Bearing
IKO Bearing
INA Bearing
KOYO Bearing
NACHI Bearing
NSK Bearing
NTN Bearing
SKF Bearing
TIMKEN Bearing

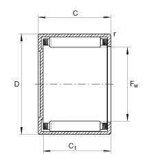
Bearing number : BK0912
Size (mm) : 9x13x12
Brand : INA
Bore Diameter (mm) : 9
Outer Diameter (mm) : 13
Width (mm) : 12
Fw - 9 mm
D - 13 mm
C - 12 mm / Tolerance: -0,3
Ct min - 10,4 mm
rmin - 0,4 mm
m - 4,9 g / Weight
Cr - 5300 N / Dynamic load rating (radial)
C0r - 6300 N / Static load rating (radial)
Cur - 860 N / Fatigue limit load, radial
nG - 26500 1/min / Limiting speed
nB - 18700 1/min / Reference speed
- IR6X9X12 / Suitable inner ring
DIN 618-1/ISO 3245