HOME >> Services >> Partners >> INA Bearing
FAG Bearing
IKO Bearing
INA Bearing
KOYO Bearing
NACHI Bearing
NSK Bearing
NTN Bearing
SKF Bearing
TIMKEN Bearing

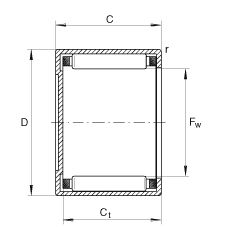
Bearing number : BK1312
Size (mm) : 13x19x12
Brand : INA
Bore Diameter (mm) : 13
Outer Diameter (mm) : 19
Width (mm) : 12
Fw - 13 mm
D - 19 mm
C - 12 mm / Tolerance: -0,3
Ct min - 9,3 mm
rmin - 0,8 mm
m - 11 g / Weight
Cr - 6800 N / Dynamic load rating (radial)
C0r - 7900 N / Static load rating (radial)
Cur - 940 N / Fatigue limit load, radial
nG - 18700 1/min / Limiting speed
nB - 12900 1/min / Reference speed
- LR10X13X12,5 / Suitable inner ring
- IR10X13X12,5 / Suitable inner ring
DIN 618-1/ISO 3245