HOME >> Services >> Partners >> INA Bearing
FAG Bearing
IKO Bearing
INA Bearing
KOYO Bearing
NACHI Bearing
NSK Bearing
NTN Bearing
SKF Bearing
TIMKEN Bearing

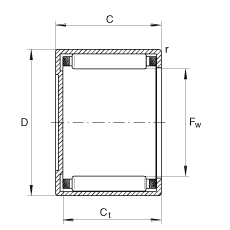
Bearing number : BK1412
Size (mm) : 14x20x12
Brand : INA
Bore Diameter (mm) : 14
Outer Diameter (mm) : 20
Width (mm) : 12
Fw - 14 mm
D - 20 mm
C - 12 mm / Tolerance: -0,3
Ct min - 9,3 mm
rmin - 0,8 mm
m - 12 g / Weight
Cr - 7100 N / Dynamic load rating (radial)
C0r - 8500 N / Static load rating (radial)
Cur - 1010 N / Fatigue limit load, radial
nG - 17500 1/min / Limiting speed
nB - 12100 1/min / Reference speed
- IR10X14X13 / Suitable inner ring
DIN 618-1/ISO 3245