HOME >> Services >> Partners >> INA Bearing
FAG Bearing
IKO Bearing
INA Bearing
KOYO Bearing
NACHI Bearing
NSK Bearing
NTN Bearing
SKF Bearing
TIMKEN Bearing

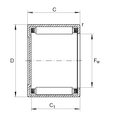
Bearing number : BK1516
Size (mm) : 15x21x16
Brand : INA
Bore Diameter (mm) : 15
Outer Diameter (mm) : 21
Width (mm) : 16
Fw - 15 mm
D - 21 mm
C - 16 mm / Tolerance: -0,3
Ct min - 13,3 mm
rmin - 0,8 mm
m - 17 g / Weight
Cr - 10500 N / Dynamic load rating (radial)
C0r - 14400 N / Static load rating (radial)
Cur - 1780 N / Fatigue limit load, radial
nG - 16500 1/min / Limiting speed
nB - 11200 1/min / Reference speed
- LR12X15X16,5 / Suitable inner ring
- IR12X15X16,5 / Suitable inner ring
DIN 618-1/ISO 3245