HOME >> Services >> Partners >> INA Bearing
FAG Bearing
IKO Bearing
INA Bearing
KOYO Bearing
NACHI Bearing
NSK Bearing
NTN Bearing
SKF Bearing
TIMKEN Bearing

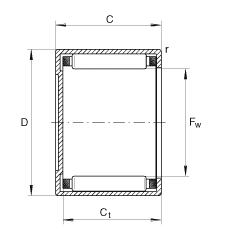
Bearing number : BK1812
Size (mm) : 18x24x12
Brand : INA
Bore Diameter (mm) : 18
Outer Diameter (mm) : 24
Width (mm) : 12
Fw - 18 mm
D - 24 mm
C - 12 mm / Tolerance: -0,3
Ct min - 9,3 mm
rmin - 0,8 mm
m - 15 g / Weight
Cr - 8100 N / Dynamic load rating (radial)
C0r - 10900 N / Static load rating (radial)
Cur - 1300 N / Fatigue limit load, radial
nG - 14000 1/min / Limiting speed
nB - 9800 1/min / Reference speed
- LR15X18X12,5 / Suitable inner ring
DIN 618-1/ISO 3245