HOME >> Services >> Partners >> INA Bearing
FAG Bearing
IKO Bearing
INA Bearing
KOYO Bearing
NACHI Bearing
NSK Bearing
NTN Bearing
SKF Bearing
TIMKEN Bearing

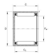
Bearing number : BK2016
Size (mm) : 20x26x16
Brand : INA
Bore Diameter (mm) : 20
Outer Diameter (mm) : 26
Width (mm) : 16
Fw - 20 mm
D - 26 mm
C - 16 mm / Tolerance: -0,3
Ct min - 13,3 mm
rmin - 0,8 mm
m - 22 g / Weight
Cr - 12700 N / Dynamic load rating (radial)
C0r - 20100 N / Static load rating (radial)
Cur - 2500 N / Fatigue limit load, radial
nG - 12700 1/min / Limiting speed
nB - 8700 1/min / Reference speed
- LR17X20X16,5 / Suitable inner ring
- IR17X20X16,5 / Suitable inner ring
DIN 618-1/ISO 3245