
Drawn cup needle roller bearings BK2216
Bearing number : BK2216
Size (mm) : 22x28x16
Brand : INA
Bore Diameter (mm) : 22
Outer Diameter (mm) : 28
Width (mm) : 16
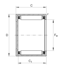
Bearing dimensions and specification in INA catalogue:
Fw - 22 mm
D - 28 mm
C - 16 mm / Tolerance: -0,3
Ct min - 13,3 mm
rmin - 0,8 mm
m - 24 g / Weight
Cr - 13400 N / Dynamic load rating (radial)
C0r - 22100 N / Static load rating (radial)
Cur - 2800 N / Fatigue limit load, radial
nG - 11700 1/min / Limiting speed
nB - 8000 1/min / Reference speed
- IR17X22X16 / Suitable inner ring
DIN 618-1/ISO 3245

FAG Bearing
IKO Bearing
INA Bearing
KOYO Bearing
NACHI Bearing
NSK Bearing
NTN Bearing
SKF Bearing
TIMKEN Bearing