HOME >> Services >> Partners >> INA Bearing
FAG Bearing
IKO Bearing
INA Bearing
KOYO Bearing
NACHI Bearing
NSK Bearing
NTN Bearing
SKF Bearing
TIMKEN Bearing

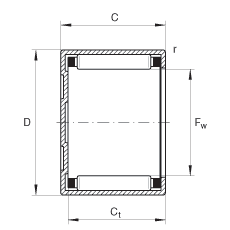
Bearing number : BK2516
Size (mm) : 25x32x16
Brand : INA
Bore Diameter (mm) : 25
Outer Diameter (mm) : 32
Width (mm) : 16
Fw - 25 mm
D - 32 mm
C - 16 mm / Tolerance: -0,3
Ct min - 13,3 mm
rmin - 0,8 mm
m - 32 g / Weight
Cr - 15600 N / Dynamic load rating (radial)
C0r - 24000 N / Static load rating (radial)
Cur - 3150 N / Fatigue limit load, radial
nG - 10200 1/min / Limiting speed
nB - 7100 1/min / Reference speed
- LR20X25X16,5 / Suitable inner ring
- IR20X25X17 / Suitable inner ring
DIN 618-1/ISO 3245