HOME >> Services >> Partners >> INA Bearing
FAG Bearing
IKO Bearing
INA Bearing
KOYO Bearing
NACHI Bearing
NSK Bearing
NTN Bearing
SKF Bearing
TIMKEN Bearing

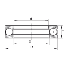
Bearing number : 912
Size (mm) : 60x90x24.5
Brand : INA
Bore Diameter (mm) : 60
Outer Diameter (mm) : 90
Width (mm) : 24,5
d - 2,362 inch
d - 60 mm
D - 3,543 inch
D - 90 mm
T - 0,965 inch
T - 24,5 mm
D1 - 60,198 mm
D1 - 2,37 inch
m - 1,186 lbs / Weight
m - 0,538 kg / Weight
Ca - 12600 lbf / Dynamic load rating (axial)
Ca - 56000 N / Dynamic load rating (axial)
C0a - 31000 lbf / Static load rating (axial)
C0a - 136000 N / Static load rating (axial)
nG - 2600 1/min / Limiting speed