HOME >> Services >> Partners >> INA Bearing
FAG Bearing
IKO Bearing
INA Bearing
KOYO Bearing
NACHI Bearing
NSK Bearing
NTN Bearing
SKF Bearing
TIMKEN Bearing

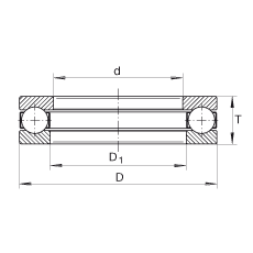
Bearing number : 920
Size (mm) : 100x150x32.5
Brand : INA
Bore Diameter (mm) : 100
Outer Diameter (mm) : 150
Width (mm) : 32,5
d - 3,937 inch
d - 100 mm
D - 5,906 inch
D - 150 mm
T - 1,28 inch
T - 32,5 mm
D1 - 100,203 mm
D1 - 3,945 inch
m - 7,38 lbs / Weight
m - 3,347 kg / Weight
Ca - 31000 lbf / Dynamic load rating (axial)
Ca - 137000 N / Dynamic load rating (axial)
C0a - 80000 lbf / Static load rating (axial)
C0a - 355000 N / Static load rating (axial)
nG - 1600 1/min / Limiting speed