INA Bearing

HOME >> Services >> Partners >> INA Bearing

INA Bearing
If you want to confirm some technical details before you order,
just need to send a message or e-mail: spb@spb-bearing.com.
Then our professional sales staff will contact you within 2 hours.

Bearing 2458

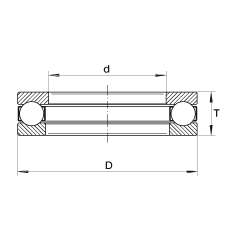
Axial deep groove ball bearings 2458

Bearing number : 2458

Size (mm) : 12.7x26.975x7.925

Brand : INA

Bore Diameter (mm) : 12,7

Outer Diameter (mm) : 26,975

Width (mm) : 7,925

Bearing dimensions and specification in INA catalogue:


d - 1/2 inch

d - 12,7 mm

D - 1,062 inch

D - 26,975 mm

T - 0,312 inch

T - 7,925 mm

m - 0,042 lbs / Weight

m - 0,019 kg / Weight

Ca - 1460 lbf / Dynamic load rating (axial)

Ca - 6500 N / Dynamic load rating (axial)

C0a - 2160 lbf / Static load rating (axial)

C0a - 9600 N / Static load rating (axial)

nG - 10000 1/min / Limiting speed


  • *Your Name:
  • *E-Mail Address:
  • Country:
  • WhatsApp:
  • *Message:
    • <<Previous Page
    • Next Page>>