HOME >> Services >> Partners >> INA Bearing
FAG Bearing
IKO Bearing
INA Bearing
KOYO Bearing
NACHI Bearing
NSK Bearing
NTN Bearing
SKF Bearing
TIMKEN Bearing

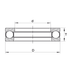
Bearing number : 2278
Size (mm) : 95.25x128.549x32.544
Brand : INA
Bore Diameter (mm) : 95,25
Outer Diameter (mm) : 128,549
Width (mm) : 32,544
d - 3 3/4 inch
d - 95,25 mm
D - 5,061 inch
D - 128,549 mm
T - 1,281 inch
T - 32,544 mm
m - 2,71 lbs / Weight
m - 1,227 kg / Weight
Ca - 17800 lbf / Dynamic load rating (axial)
Ca - 79000 N / Dynamic load rating (axial)
C0a - 51000 lbf / Static load rating (axial)
C0a - 227000 N / Static load rating (axial)
nG - 1800 1/min / Limiting speed