HOME >> Services >> Partners >> INA Bearing
FAG Bearing
IKO Bearing
INA Bearing
KOYO Bearing
NACHI Bearing
NSK Bearing
NTN Bearing
SKF Bearing
TIMKEN Bearing

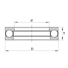
Bearing number : 2209
Size (mm) : 26.988x42.85x15.875
Brand : INA
Bore Diameter (mm) : 26,988
Outer Diameter (mm) : 42,85
Width (mm) : 15,875
d - 1 1/16 inch
d - 26,988 mm
D - 1,687 inch
D - 42,85 mm
T - 0,625 inch
T - 15,875 mm
m - 0,203 lbs / Weight
m - 0,092 kg / Weight
Ca - 4700 lbf / Dynamic load rating (axial)
Ca - 20900 N / Dynamic load rating (axial)
C0a - 9400 lbf / Static load rating (axial)
C0a - 42000 N / Static load rating (axial)
nG - 5500 1/min / Limiting speed