HOME >> Services >> Partners >> INA Bearing
FAG Bearing
IKO Bearing
INA Bearing
KOYO Bearing
NACHI Bearing
NSK Bearing
NTN Bearing
SKF Bearing
TIMKEN Bearing

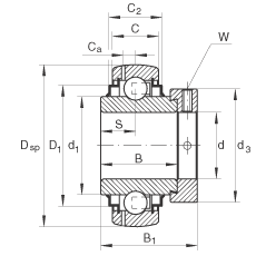
Bearing number : GE45-KLL-B
Size (mm) : 45x85x56.5
Brand : INA
Bore Diameter (mm) : 45
Outer Diameter (mm) : 85
Width (mm) : 56,5
d - 45 mm
DSP - 85 mm
B1 - 56,5 mm
B - 42,9 mm
C - 22 mm
C2 - 26,4 mm
Ca - 6,4 mm
D1 - 72,3 mm
d1 - 57,9 mm
d3 max - 63 mm
S - 21,4 mm
W - 5 mm
m - 0,84 kg / Weight
Cr - 34500 N / Dynamic load rating (radial)
C0r - 20400 N / Static load rating (radial)
- 6209 / Reference bearings