HOME >> Services >> Partners >> INA Bearing
FAG Bearing
IKO Bearing
INA Bearing
KOYO Bearing
NACHI Bearing
NSK Bearing
NTN Bearing
SKF Bearing
TIMKEN Bearing

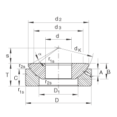
Bearing number : GE45-AX
Size (mm) : 45x120x31
Brand : INA
Bore Diameter (mm) : 45
Outer Diameter (mm) : 120
Width (mm) : 31
T (mm) : 36,5
A (mm) : 11
C (mm) : 25
D1 (mm) : 68
Da min (mm) : 74
da max (mm) : 89
dK (mm) : 130
d3 (mm) : 89
r1s min (mm) : 0,3
s (mm) : 27,5
alf (°) : 6
Weight (kg) : 2,5
Ca (N) : 486000
C0a (N) : 2430000