HOME >> Services >> Partners >> INA Bearing
FAG Bearing
IKO Bearing
INA Bearing
KOYO Bearing
NACHI Bearing
NSK Bearing
NTN Bearing
SKF Bearing
TIMKEN Bearing

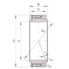
Bearing number : GE420-DW
Size (mm) : 420x560x190
Brand : INA
Bore Diameter (mm) : 420
Outer Diameter (mm) : 560
Width (mm) : 190
C (mm) : 160
Da min (mm) : 469
da max (mm) : 451,6
dK (mm) : 490
r1s min (mm) : 1,5
r2s min (mm) : 4
alf (°) : 3,7
Weight (kg) : 143
Cr (N) : 23520000
C0r (N) : 39200000