HOME >> Services >> Partners >> INA Bearing
FAG Bearing
IKO Bearing
INA Bearing
KOYO Bearing
NACHI Bearing
NSK Bearing
NTN Bearing
SKF Bearing
TIMKEN Bearing

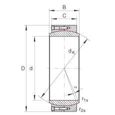
Bearing number : GE400-DW
Size (mm) : 400x540x190
Brand : INA
Bore Diameter (mm) : 400
Outer Diameter (mm) : 540
Width (mm) : 190
C (mm) : 160
Da min (mm) : 447
da max (mm) : 429,8
dK (mm) : 470
r1s min (mm) : 1,5
r2s min (mm) : 4
alf (°) : 3,9
Weight (kg) : 131
Cr (N) : 22560000
C0r (N) : 37600000