HOME >> Services >> Partners >> INA Bearing
FAG Bearing
IKO Bearing
INA Bearing
KOYO Bearing
NACHI Bearing
NSK Bearing
NTN Bearing
SKF Bearing
TIMKEN Bearing

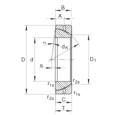
Bearing number : GE40-SX
Size (mm) : 40x68x18
Brand : INA
Bore Diameter (mm) : 40
Outer Diameter (mm) : 68
Width (mm) : 18
T (mm) : 19
A (mm) : 9,5
C (mm) : 18
D1 (mm) : 46,8
Da min (mm) : 52
da max (mm) : 45,5
db max (mm) : 54
dK (mm) : 60
Db min (mm) : 61
r1s min (mm) : 1
r2s min (mm) : 0,3
s (mm) : 1,5
alf (°) : 1,9
Weight (kg) : 0,33
Cr (N) : 90800
C0r (N) : 454000